更多相關產品
- LGH-IRW04型 工業機器人操作調整工技能鑒定平臺
- LGH-JR05Z型 工業機器人視覺裝配實訓平臺
- LGH-JR605Z型 工業機器人上下料技能實訓平臺
- LGH-JR12C型 工業機器人電氣系統拆裝實訓平臺
- LGH-LS01型 工業機器人理實一體化教學系統
- LGH-MES40型 工業4.0生產線實訓系統
- LGH-DK01型 工業機器人雕刻實訓平臺
- LGH-HJ12型 工業機器人焊接實訓平臺
- LGH-MP12型 工業機器人磨拋實訓平臺
- LGL-PT06型 工業機器人噴涂實操工作站
- LGL-CZ06型 工業機器人機械拆裝及電氣拆裝平臺
- LGL-MD06型 工業機器人碼垛實操工作站
- LGL-DM06型 工業機器人打磨去毛刺實操工作站
- LGL-HJ06型 工業機器人焊接實操工作站
- LGL-IR03型 工業機器人綜合實訓平臺
- LGL-ZS01型 綜合設備工業機器人工作站
- LG-CY403型 高防護工業機器人
- LG-CY420型 沖壓工業機器人
- LG-CY415型 四軸工業機器人
- LG-CY410A型 沖壓工業機器人
- LG-HJ605型 焊接工業機器人
- LG-DM630型 打磨工業機器人
- LG-DM612型 打磨工業機器人
- LG-ZN6150型 工業機器人
- LG-ZN680型 工業機器人
- LG-ZN650L型 工業機器人
- LG-ZN630型 工業機器人
- LG-ZN620L型 工業機器人
- LG-ZN612型 工業機器人
- LG-ZN605型 工業機器人
- LG-ZN603型 小型六軸工業機器人
- LGL-406型 SCARA工業機器人
- LGL-608H型 六軸工業機器人
- LGL-608型 工業機器人
- LGL-607/607L型 工業機器人
- LGL-604型 工業機器人
- LGL-620型 六軸工業機器人
- LG-SX5110型 碼垛工業機器人(5軸)
- LG-SX616型 工業機器人(機床高防護版)
- LG-SX610型 六軸工業機器人
LG-SX610型 六軸工業機器人
LG-SX610型 工業機器人針對玻璃機、平磨機、雕銑機及其他機床等推出前端高防護版本,滿足任意方向噴水,或浸水,小臂前端達到IP67防護等級全新一代LG-SX610工業機器人,在SX6系列機器人的基礎上,進一步優化升級,速度更快,負載能力更強,防護等級更高。

一、產品特點及優勢
1、安裝占地面積小:機器人底座非常小,占地面積小于0.06m²。
2、高精度,高靈活性:平均重復精度可達+0.03mm,*大0.05mm;不僅具備通用6軸功能,當使用通用機器人用法功能無足夠空間時,還可以編程內旋轉模式另辟蹊徑實現避讓。
3、重量輕,任意方向安裝:本體重量61kg左右,可任何方向安裝。
4、臂長更大、負載能力更強:通過輕量化的設計,使用高速電機、高精度的減速器,使機器人臂長增加至1310mm,*大負載10kg。
5、防護等級更高:經過結構優化,進行密封設計,經過測試,手臂前端防護等級達到了IP67。
二、技術參數
| 工業機器人 | LG-SX610 | |
| 自由度 | 6 | |
| 負載 | 10Kg | |
| *大工作半徑 | 1310mm | |
| 重復定位精度 | ±0.05mm | |
| 運動范圍 | J1 | ±155° |
| J2 | -178°/-2° | |
| J3 | +120 /+420° | |
| J4 | ±190° | |
| J5 | ±150° | |
| J6 | ±360° | |
| 額定速度 | J1 | 180°/s,3.14 rad/s |
| J2 | 250°/s,4.36 rad/s | |
| J3 | 180°/s,3.14 rad/s | |
| J4 | 235°/s,4.11 rad/s | |
| J5 | 180°/s,3.14 rad/s | |
| J6 | 360°/s,6.28 rad/s | |
| *高速度 | J1 | 240°/s,4.19 rad/s |
| J2 | 250°/s,4.36 rad/s | |
| J3 | 300°/s,5.24 rad/s | |
| J4 | 392°/s,6.84 rad/s | |
| J5 | 300°/s,5.24 rad/s | |
| J6 | 600°/s,10.46 rad/s | |
| 容許慣性矩 | J6 | 0.15kg㎡ |
| J5 | 0.42kg㎡ | |
| J4 | 0.42kg㎡ | |
| 容許扭矩 | J6 | 12.7Nm |
| J5 | 20.4Nm | |
| J4 | 20.4Nm | |
| 適用環境 | 溫度 | 0~45° |
| 濕度 | 20%~80% | |
| 其他 | 避免與易燃易爆或腐蝕性氣體、液體接觸,遠離電子噪聲源(等離子) | |
| 示教器線纜長度 | 8米 | |
| 本體-柜體連接線長度 | 3米 | |
| I/O參數 | 數字量:32輸入,31輸出 | |
| 電源容量 | 3kVA | |
| 額定功率 | 2.4kW | |
| 額定電壓 | 單相AC220V | |
| 額定電流 | 13A | |
| 本體防護等級 | IP54,手臂前端IP67 | |
| 安裝方式 | 地面安裝、倒掛安裝、側掛安裝、任意方向安裝 | |
| 本體重量 | 61kg | |
| 控制柜防護等級 | IP53 | |
| 控制柜尺寸 | 500(寬)×270(厚)×530(高)-可立可臥 | |
| 控制柜重量 | 38KG | |
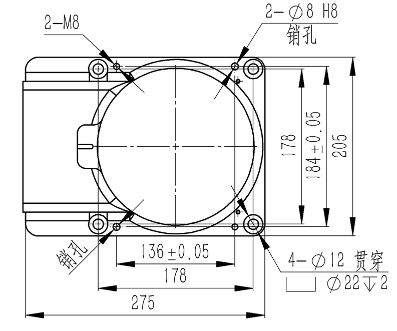
三、工業機器人參數圖

運動范圍圖


底座安裝尺寸圖

末端輸出法蘭尺寸圖
四、應用領域

工控盒鉚釘自動送料—壓鉚—鐳雕—組裝自動化

數控機床上下料

沖壓生產線



