更多相關產品
- LGH-IRW04型 工業機器人操作調整工技能鑒定平臺
- LGH-JR05Z型 工業機器人視覺裝配實訓平臺
- LGH-JR605Z型 工業機器人上下料技能實訓平臺
- LGH-JR12C型 工業機器人電氣系統拆裝實訓平臺
- LGH-LS01型 工業機器人理實一體化教學系統
- LGH-MES40型 工業4.0生產線實訓系統
- LGH-DK01型 工業機器人雕刻實訓平臺
- LGH-HJ12型 工業機器人焊接實訓平臺
- LGH-MP12型 工業機器人磨拋實訓平臺
- LGL-PT06型 工業機器人噴涂實操工作站
- LGL-CZ06型 工業機器人機械拆裝及電氣拆裝平臺
- LGL-MD06型 工業機器人碼垛實操工作站
- LGL-DM06型 工業機器人打磨去毛刺實操工作站
- LGL-HJ06型 工業機器人焊接實操工作站
- LGL-IR03型 工業機器人綜合實訓平臺
- LGL-ZS01型 綜合設備工業機器人工作站
- LG-CY403型 高防護工業機器人
- LG-CY420型 沖壓工業機器人
- LG-CY415型 四軸工業機器人
- LG-CY410A型 沖壓工業機器人
- LG-HJ605型 焊接工業機器人
- LG-DM630型 打磨工業機器人
- LG-DM612型 打磨工業機器人
- LG-ZN6150型 工業機器人
- LG-ZN680型 工業機器人
- LG-ZN650L型 工業機器人
- LG-ZN630型 工業機器人
- LG-ZN620L型 工業機器人
- LG-ZN612型 工業機器人
- LG-ZN605型 工業機器人
- LG-ZN603型 小型六軸工業機器人
- LGL-406型 SCARA工業機器人
- LGL-608H型 六軸工業機器人
- LGL-608型 工業機器人
- LGL-607/607L型 工業機器人
- LGL-604型 工業機器人
- LGL-620型 六軸工業機器人
- LG-SX5110型 碼垛工業機器人(5軸)
- LG-SX616型 工業機器人(機床高防護版)
- LG-SX610型 六軸工業機器人
LG-ARA431型 工業機器人
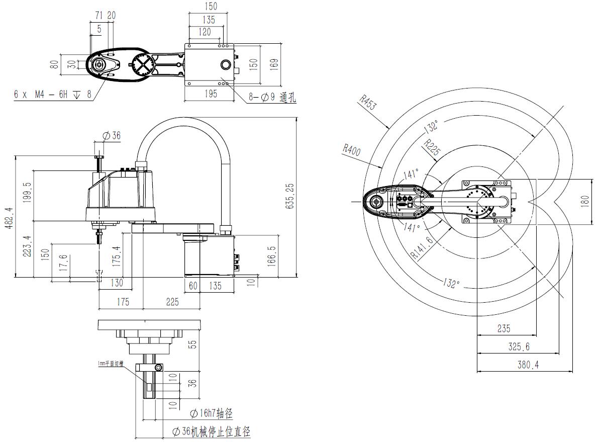
LG-ARA431型 工業機器人體積小、重量輕、精度高、多款負載檔位,運動更靈活,適合桌面拾取安裝應用而開發的工業機器人,可廣泛用于電子產品工業、藥品工業和食品工業等領域。依托公司多年伺服控制的技術積累,使用自主研發的控制技術,巧妙地運用伺服電機的性能,在高轉矩工況下可帶3Kg負載,具有高速度、高性能、高精度、體積小、運動靈活和低價格的優勢。其串聯的第一軸和第二軸類似于人的手臂可快速在平面內進行定位和定向,可以伸進有限空間中作業后收回。

一、優勢特點
1.高性價比:低成本,花錢買回去的屬于通用工業機器人,可重復編程用于其他搬運、裝配作業,且可一年回收成本
2.長壽命:采用高精密高剛度諧波減速機,壽命可長達數十年
3.高速性能:采用低速比高精度減速機,擁有超快的循環時間,*快循環時間可達0.35S
4. 高集成度:本體內置信號線與氣管即插即用,無需繁瑣接線,內部線纜無滑動,可長久保持無故障率。
5.高精度:除了采用高精度諧波減速機外,采用了進口高精密滾珠絲桿滾珠花鍵,末端重復定位精度達±0.01MM
6.高平滑性:采用先進控制系統及伺服驅動系統,實現高速而平滑的動作性能,幾乎做到過渡點零時間停頓。
7. 高剛性:其末端線性移動軸的特性,讓其在Z方向具有良好的剛度,此特性特別適合于裝配工作
8.負載檔位實用性:根據實際末端負載,客戶可調整負載檔位,簡單操作提高機器人運行節拍
二、技術參數
| 工業機器人 | LG-ARA431 | |
| 自由度 | 4 | |
| *大負載/額定負載 | 3kg/1kg | |
| *大工作半徑 | 400mm | |
| 重復定位精度 | ±0.01mm | |
| 運動范圍 | J1 | ±132° |
| J2 | ±141° | |
| J3 | 0-150mm | |
| J4 | ±360° | |
| 額定速度 | J1 | 360°/s,6.28rad/s |
| J2 | 470°/s,8.19rad/s | |
| J3 | 710mm/s | |
| J4 | 1500°/s,26.16rad/s | |
| *高速度 | J1 | 530°/s,9.24rad/s |
| J2 | 700°/s,12.21rad/s | |
| J3 | 1065mm/s | |
| J4 | 2600°/s,43.35rad/s | |
| 容許慣性矩 | J4 | 0.05kg㎡/0.005kg㎡ |
| 容許扭矩 | J4 | 3.29Nm |
| 適用環境 | 溫度 | 0~45° |
| 濕度 | 20%~80% | |
| 其他 | 避免與易燃易爆或腐蝕性氣體、液體接觸,遠離電子噪聲源(等離子) | |
| 示教器線纜長度 | 選配(若需配置,示教器線纜長度為8米) | |
| 本體-柜體連接線長度 | 3米 | |
| I/O參數 | 數字量:32輸入,31輸出(控制柜故障指示燈輸出占用1) | |
| 電源容量 | 0.6kVA | |
| 額定功率 | 0.5kW | |
| 額定電壓 | 單相AC220V | |
| 額定電流 | 2.7A | |
| 防護等級 | IP54 | |
| 安裝方式 | 地面安裝、桌面安裝 | |
| 本體重量 | 17kg | |
| 控制柜防護等級 | IP53 | |
| 控制柜尺寸 | 500(寬)×270(厚)×530(高)-可立可臥 | |
| 控制柜重量 | 38KG | |
三、工業機器人參數圖

四、工業應用

工業機器人貼標

工業機器人生產流水線



